全国服务热线
![]() |
.png)
STF600-110S24是为铁路领域设计的一款高性能电源,额定输入电压 110VDC,输出 24V/600W,无最小负载要求,宽电压输入66-160VDC,稳压单路输出。高隔离绝缘电压,允许工作温度高达 105℃,具有输入欠压保护、输出过流保护、过压保护、过温保护、短路保护、远程遥控及远端补偿、输出电压调节等功能。
| 产品型号 | 输入电压 | 输出电压 | 输出电流 | 效率 | 纹波 | 功率 | 备注 |
| STH600-110S24 | 66-160Vdc | 24Vdc | 25A | 90% | 240mVp-p | 600W | 标准型正逻辑 |
| STF600-110S24N | 标准型负逻辑 | ||||||
| STF600-110S24H | 散热器正逻辑 | ||||||
| STF600-110S24NH | 散热器负逻辑 |
特点:l 宽输入电压范围
l 宽工作温度范围
l 输出过流保护
l 过温保护
l 输出短路保护
l 输入欠压保护

一、环境特性
| 序号 | 项目 | 最小值 | 典型值 | 最大值 | 单位 | 备注 |
| 1 | 工作壳温度 | -40 | 105 | ℃ | 见降额曲线 | |
| 2 | 储存温度 | -40 | 125 | ℃ | ||
| 3 | 海拔高度 | 3000 | m | |||
| 4 | 相对湿度 | 5 | 95 | % | 无凝露 | |
| 5 | 引脚耐焊接温度 | ≤350 | ℃ | 焊点距离外壳1.5mm,焊接时间小于1.5S | ||
| 6 | 冲击振动要求 | IEC/EN 61373 车体 1 B 级 | ||||
| 7 | 重量 | 标准型250,散热器型402 | g | |||
| 8 | 散热方式 | 传导散热或者强制风冷 | ||||
二、电气特性
| 序号 | 项目 | 性能指标 | 单位 | 备注 |
| 1 | 输入冲击电压 | -0.7-185 | Vdc | 超出该范围输入可能会造成永久性的损坏 |
| 2 | 启动工作电压 | ≥66 | Vdc | |
| 3 | 最大输入电流 | ≤11 | A | 66Vdc输入电压,满载输出 |
| 4 | 遥控脚(CNT) |
正逻辑:CNT悬空或接3.5-15Vdc开机, 接0-1.2Vdc电压关机 负逻辑:CNT悬空或接3.5-15Vdc关机, 接0-1.2Vdc电压开机 |
参考电压-VIN | |
| 5 | 输出电压精度 | ±1 | % | 标称输入电压,从 0%-100%的负载 |
| 6 | 线性调整率 | ±0.2 | % | 满载,输入电压从低电压到高电压 |
| 7 | 负载调整率 | ±0.2 | % | 标称输入电压,从10%-100%的负载 |
| 8 | 输出纹波 | ≤240 | mVp-p | 20M带宽,外接220uF以上电容测试 |
| 9 | 瞬态恢复时间 | ≤250 | uS | 25%负载阶跃变化(阶跃速率1A/50uS) |
| 瞬态响应偏差 | ±5 | |||
| 10 | 温度漂移系数 | ±0.02 | %/℃ | |
| 11 | 输出电压可调节(TRIM) | -20~+10 | % | 满载 |
| 12 | 输出电压远端补偿 | 105MAX | % |
三、保护特性
| 序号 | 项目 | 最小值 | 典型值 | 最大值 | 单位 | 备注 |
| 1 | 输出过流保护 | 26-32 | A | 过流打嗝,输入电压66-160Vdc | ||
| 2 | 输出短路保护 | 有 | 打嗝式,可持续,自恢复 | |||
| 3 | 输出过温保护 | 105-125 | ℃ | 散热器表面温度 | ||
| 4 | 输入欠压保护 | 58-65 | Vdc | 空载测试,满载测试会提前过流保护 | ||
四、安规以及EMC特性
| 序号 | 项目 | 技术指标 | 单位 | 备注 | |
| 1 | 抗电强度 | 输入对输出 | 3000 | Vac |
无击穿、无飞弧 测试条件:3.5mA /min, 上升速率 500V/s |
| 2 | 输入对基板 | 2000 | Vac | ||
| 3 | 输出对基板 | 500 | Vac | ||
| 4 | 绝缘电阻 | ≥100 | MΩ | 输入输出绝缘电阻,500Vdc电压测试 | |
| 5 | 工作频率 | 250典型 | Khz | ||
| 6 | 传导骚扰 |
EN50121-3-2 150kHz-500kHz 79dBuV EN55016-2-1 500kHz-30MHz 73dBuV |
|||
| 7 | 辐射骚扰 |
EN50121-3-2 30MHz-230MHz 40dBuV/m at 10m EN55016-2-1 230MHz-1GHz 47dBuV/m at 10m |
|||
| 8 | 静电放电 | EN50121-3-2 Contact ±6KV/Air ±8KV | 判据A | ||
| 9 | 辐射抗扰度 | EN50121-3-2 10V/m | 判据A | ||
| 10 | 脉冲群抗扰度 | EN50121-3-2 ±2kV 5/50ns 5kHz | 判据A | ||
| 11 | 浪涌抗扰度 | EN50121-3-2 line to line ± 1KV(42Ω, 0.5μF) | 判据A | ||
| 12 | 传导骚扰抗扰度 | EN50121-3-2 0.15MHz-80MHz 10 Vr.m.s | 判据A | ||
五、产品特性曲线

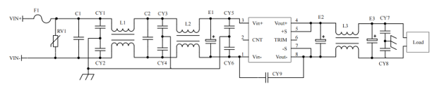
六、推荐电路

七、机械特性以及接插件规格
1、尺寸116.8*61*20mm,重量150g,铝合金材质,阳极氧化黑色

2、管脚定义以及规格
| 序号 | 1 | 2 | 3 | 4 | 5 | 6 | 7 | 8 | 9 |
| 管脚定义 | -Vin | +Vin | CNT | NC | Vout+ | Vout+ | Vout+ | Vout- | Vout- |
| 功能 | 输入负 | 输入正端 | 遥控端 | NC | 输出正 | 输出正 | 输出正 | 输出负 | 输出负 |
| 序号 | 10 | 11 | 12 | 13 | 14 | 15 | 16 | ||
| 管脚定义 | Vout- | -Sense | +Sense | TRIM | PC | IOG | AUX | ||
| 功能 | 输出负 | 远端补偿负 | 远端补偿正 | 输出调节 | 均流母线 | 输出状态 | 辅电源 |
八、遥控端(CNT)几种控制方式推荐电路

九、输出电压微调功能

十、并联升功率使用

十一、Sense的使用以及注意事项
(1)不使用远端补偿:
(2)使用远端补偿:

十二、包装、运输、储藏
1、包装
包装箱上有产品名称、型号、厂家标识、厂家质量部门的检验合格证、制造日期等;包装箱内有附件清单。
2、运输
产品运输时应有牢固的包装箱。箱外面应符合相关国标的规定且应有“小心轻放”、“防潮”等标志。装有产品的包装箱允许用任何运输工具运输。运输中应避免雨、雪的直接淋袭和机械撞击。
3、贮存
产品未使用时应存放在包装箱内,仓库环境温度-40—70℃和相对湿度10%—95%,仓库内不允许有有害气体、易燃、易爆的产品及有腐蚀性的化学物品,并且无强烈的机械振动,冲击和强磁场作用,包装箱应垫离地至少20cm高,距离墙壁、热源、窗口或空气入口至少50cm,在本规定条件下的贮存期一般为2年,超过2年后应重新进行检验。
备注:产品会不定期更新,恕不另行通知,最新版本请与我司确认。
其他技术指标请与我司销售人员联系
扫一扫 更多精彩