National Service Hotline
![]() |

CXDH120S4812输出电压12Vdc,电流为10A:工业标准八分之一砖封装和引脚;外形结构为全开放式,器件均为表面贴装,功率密度高;具有遥控开关,过热保护,短路保护功能。
| 产品型号 | 输入电压 | 输出电压 | 输出电流 | 效率 | 纹波 | 尺寸 |
| CXDH120S4812 | 36~75Vdc | 12Vdc | 10A | 92% | 200mVp-p | 57.9*22.8*10.5 |
特点:
l 宽输入电压范围
l 宽工作温度范围
l 自然散热
l 输出过压保护
l 输出过流保护
l 过温保护
l 输入过压保护
l 输出短路保护
一、技术指标
(除非另有说明,指标一般在标称输入电压,输入加220μF/25V铝电解电容,输出满载和25℃环境温度,风速1m/s下测得。)
| 性能参数 | 测试条件 | Min | Typ. | Max | Unit | |
| 绝对最大额定值 | ||||||
| 输入电压 | 连续输入,非工作状态 | 0 | - | 80 | Vdc | |
| 瞬态(100ms),非工作状态 | - | - | 100 | Vdc | ||
| 最大输入功率 | 在允许工作条件下 | - | - | 120 | W | |
| 输入特性 | ||||||
| 标称输入电压 | - | - | 48 | - | Vdc | |
| 输入工作电压范围 | - | 36 | - | 75 | Vdc | |
| 输入欠压保护点范围 | lonom | 30 | - | 35 | Vdc | |
| 输入欠压恢复点范围 | lonom | 31 | - | 36 | Vdc | |
| 输入最大电流 | Vimin,vonom,lonom | - | - | 3.8 | A | |
| 空载输入电流 | Vinom,lo=0A | - | 90 | 110 | mA | |
| 静态输入电流 | Vinom,遥控关断输出 | - | 5 | 10 | mA | |
| 空载损耗 | Vinom,lo=0A | - | 4.3 | 5.3 | W | |
| 输入反射文波电流 |
Vimin,lonom 输入加12μH电感和220μF电容 |
- | 80 | 100 | mApp | |
| 输入外接电容 | Vimin~Vimax,0~100%lo | - | 220 | - | μF | |
| 遥控正逻辑 | 开启 | 高电平(2.8V-10V或悬空,相对于-Vin),电流≤1mA | ||||
| 关闭 | 低电平(-0.7-0.8V,相对于-Vin)或与-Vin短接,电流≤1mA | |||||
| 遥控负逻辑 | 开启 | 高电平(2.8V-10V或悬空,相对于-Vin),电流≤1mA | ||||
| 关闭 | 低电平(-0.7-0.8V,相对于-Vin)或与-Vin短接,电流≤1mA | |||||
| 输出电压 | Vimin,lonom | 11.88 | 12.00 | 12.12 | Vdc | |
| 标称负载 | - | - | - | 10 | A | |
| 输出电流范围 | Po≤120W | 0 | - | 10 | A | |
| 源效应 | Vimin~Vimax,lonom | - | ±0.1 | ±0.2 | %Vo | |
| 负载效应 | 0-100%lonom,vinom | - | ±0.2 | ±0.5 | %Vo | |
| 输出电压调节范围 | lo≤lonom,Po≤120W | -20 | - | +10 | %Vo | |
| 输出过压保护 | 保护方式 | Vimin,50%vonom | 间歇,自恢复 | - | ||
| 保护点范围 | 13.8 | 16 | Vdc | |||
| 输出过流保护 | 保护方式 | - | 间歇,自恢复 | - | ||
| 保护点范围 | Vimin~Vimax,Tc(基板温度)=-40~100℃ | 110 | - | 150 | %1onom | |
| 输出短路保护 | 保护方式 | - | 间歇,自恢复 | - | ||
| 输入电流 | Vinom | - | 30 | 500 | mArms | |
| 负载瞬态响应 | 过冲幅度 |
25%-50%-25%loom,50%-75%-50%lonom 斜率0.1A/μs,Vinom;输出加100μF的铝电解电容和0.1μF陶瓷电容 |
- | 200 | 600 | mV |
| 恢复时间 | - | 100 | 200 | μS | ||
| 过冲幅度 |
0%-100%-0%loom,斜率0.1A/μs,Vinom; 输出加100μF的铝电解电容和0.1μF陶瓷电容 |
- |
- | 10 | %Vo | |
| 恢复时间 | - | - | 800 | 800 | ||
|
输出文波及噪声 |
有效值(20MHz) |
Vinom,20MHz,探头靠测, 输出加100μF的铝电解电容和0.1μF陶瓷电容 |
- | - | 100 | mV |
| 峰峰值(20MHz) | - | - | 200 | mV | ||
| 峰峰值(100MHz) | - | - | 400 | mV | ||
| 输出外接电容(Co) | Vimin~Vimax,0~100%lo | 100 | - | 4700 | μF | |
| 开关机过冲幅度 | Vinom lonom | - | - | ±5 | %Vo | |
| 启动延迟时间 | Vimin-10%Vonom | - | 6 | 30 | ms | |
| 输出上升时间 | 10%Vonom~90%Vonom | - | 33 | 80 | ms | |
| 远端电压采样 | - | 可以 | ||||
三、安全性
| 绝缘强度 | 输入与输出 | 漏电流≤1mA,1min | 1500 | - | - | Vdc |
| 绝缘电阻(RISO) | 500Vdc | 10 | - | - | MΩ | |
| 安全认证 | 符合EN 60950-1标准要求 | |||||
四、可靠性
| 振动试验(正弦) |
频率:10~55Hz 振幅:0.35mm 加速度:10m/s ² 周期时间:三轴向各30min |
受试后,变换器的机械与电器部件完好无损,外观, 额定输出电压和输出纹波及噪声峰峰值符合技术要求 |
|||
| 绝缘电阻(RISO) | 500Vdc | 10 | - | - | MΩ |
| 冲击试验(半正弦) |
峰值加速度:300m/s2 持续时间:6ms 三个相互垂直方向各连续冲击6次 |
受试后,变换器的机械与电器部件完好无损,外观, 额定输出电压和输出纹波及噪声峰峰值符合技术要求 |
|||
| MTBF预计 |
≥2×106h Telcordia SR-332(Ta=25℃) ≥1×106h Telcordia SR-332(Ta=55℃) |
||||
五、环境特性
| 相对湿度 | (40±2)℃,不结露 | 5 | - | 95 | %RH | |
| 过温保护 | 保护方式 | - | 关断(自恢复) | |||
| 温度范围 | - | 105 | - | 125 | ℃ | |
| 温度回差 | - | 5 | 8 | 12 | ||
| 工作环境温度 | - | -40 | - | +85 | ℃ | |
| 存储温度范围 | - | -55 | - | +125 | ℃ | |
| 冷却方式 | - | 强制风冷或加装散热器 | ||||
六、一般特性
| 开关频率 | - | - | 330 | - | KHz | |
| 温度系数 | - | - | - | ±0.02% | %Vo/℃ | |
| 效率 | - | 100%lonom | 91 | 92 | - | % |
|
-Vinom |
80%lonom | 91 | 92 | - | % | |
| - | 50%lonom | 90 | 91 | - | % | |
| 重量 | - | - | 30 | - | g | |
| 环保特性 | 符合欧盟RoHs指令2011/65/EU的要求 | |||||
| 冷却方式 | 涂覆三防漆(产品尾缀加“C”的型号) | |||||
注:高低温以下两项指标具体情况:
1) 输出纹波及噪声峰峰值VPP<200mV(测试条件:Vinom,20MHz,探头靠测,输出外加560μF的铝电解和0.1μF陶瓷电容):
2) 输出上升时间T<50ms(测试条件:10%Vonom~90%Vonom)。
七、基本应用电路及使用注意事项
1) 产品应用基本连线图(以负逻辑遥控为例说明)

注:Fuse:10A:
C1推荐值:220μF/100V(电解电容)低ESR值,C2推荐值:1μF/100V(陶瓷电容),L1:12μH/6A,C3推荐值:470μF/25V(电解电容)低ESR值,C4推荐值:1μF/25V(陶瓷电容)。
2) 输入电压不得长时间超过80VDC,且极性不能反接,否则可能导致模块永久性损坏。
3) 负逻辑:输入控制端(Rem)为低电平(或与-Vin短接时),输出正常:
输入控制端(Rem)为高电平或悬空(相对于-Vin)时,输出关闭。
正逻辑:输入控制端(Rem)为高电平或悬空(相对于-Vin)时,输出正常。
输入控制端(Rem)为低电平(或与-Vin短接时),输出关闭。
4) 输出短路保护间歇可恢复。
5) Trim端应用:模块做上调时不得超过最大输出功率工作,下调时不得超过最大输出电流。否则将可能导致模块工作不正常。上调使用时模块输出电压不得高于13.2V,下调使用时模块输出电压不得低于9.6V,否则可能导致模块工作异常。调节方法见第四项(输出电压调节方式)
八、使用说明(需强制风冷或加装散热器)
1) 输入电压不得长时间超过80VDC,且极性不能反接,否则可能导致模块永久性损坏。模块内部无保险,使用时应外接保险10A/250V。
2) 输出电压调节方式:
3) 调节电路示意图:

4) 调节公式
上调电阻计算公式

下调电阻计算公式

Vo:标称输出电压值
RTrim-up,RRrim-down:外接的调节电阻:
△:输出电压相对于标称输出电压的变化率(绝对值)。(0<△<20%)
5) 输出电压调节曲线:

6) 过流保护
当输出过流或短路时,模块处于间歇工作状态,此时输入电流在几毫安到几百毫安之间变化。
7) 输出过压保护
当输出电压高于输出过压保护点门限时,模块处于间歇工作状态,过压故障撤除后恢复输出。
8) 过温保护
当基板温度高于过温保护电路的温度门限(105°C~125°C)时会触发过温保护,模块关闭输出。基板温度低于保护点温度5~12℃后自动恢复输出。
9) 遥测端(+S,-S端子)
远端补偿功能用于补偿线路上的电压降。补偿正负端(sense(+),sense(-))和输出正负端(Vout(+),Vout(-))电压值满足下面的特性要求:
{Vout(+)-Vout(-)}-{sense(+)-sense(-)}≤10%×Vonom为额定输出电压
如果不使用远端补偿功能,在模块的输出端,补偿争端sense(+)和输出正端Vout(+)连接,补偿负端sense(-)和输出负端Vout(-)连接。遥测端不能用做传输负载电流,否则可能导致电源模块损坏。

10) 遥控开关(Rem)
负逻辑控制时
输入控制端(Rem)为低电平(或与-Vin短接时),输出正常
输入控制端(Rem)为高电平或悬空(相对于-Vin)时,输出关闭。
正逻辑控制时
输入控制端(Rem)为高电平或悬空(相对于-Vin)时,输出正 常。
输入控制端(Rem)为低电平(或与-Vin短接时),输出关闭。
11) 耐压测试时,应将输入端子(+Vin,-Vin,Rem)短接,输出(+Vout,-Vout,Trim,+S,-S)短接。
九、工作曲线(Ta=+25℃,风速1m/s)
效率曲线

耗散功率曲线


无散热器条件下的热交换曲线(不同风速条件下输出电流与环境温度的关系,Vinom)
测试条件说明:
1) 降额曲线测试时降被测模块焊接在一个2.0mm厚的两盎司厚度的铜箔四层标准测试板上。
2) 模块与测试板PCB之间留有一定的间隙(约5mm),测试时测试板垂直于水平方向,模块长边与水平面平行放置。
3) 测试时在热测试箱中基于红外热成像及热电偶埋点测试设备进行测试,测试时气流方向见下图
4) 当产品在热降额曲线上的工作点到达热平衡状态时产品上的器件具备热降额要求。
带铝基板散热器说明:
带散热器时保证散热器中心温度≤100℃工作
5) 动态响应
测试条件:Tc=25℃,Vin=48V,带宽20MHz探头靠测,输出外加100μF铝电解电容和0,1μF陶瓷电容,输入外加220μF/100V电解电容。

6) 输出纹波与启动波形:
测试条件:Tc=25℃,Vin=48V,带宽20MHz探头靠测,输出外加100μF铝电解电容和0,1μF陶瓷电容,输入外加220μF/100V电解电容。

7) 温度测试点及风冷方向

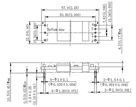
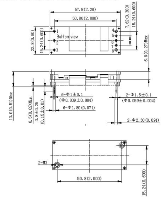
十、外形尺寸及引脚定义
1) 外形尺寸
本产品预留了安装铝背板的位置,铝背板上预留外加散热器的安装孔。其外形结构有两种,一种为开架式形式,另一种为安装了铝背板的形式。
开架式形式:其外形尺寸如下

备注:
1) 单位:mm
2) 公差:X±0.5(.xx±0.02):.xx±0.25(.xxx±0.010)。
3) 4.2(0.17)为非引脚面最高器件的最大高度:0.5(0.02)为引脚面最高器件与引脚安装面最小间距。
安装铝背板的形式:其外形尺寸如下

备注:
1) 单位:mm
2) 公差:X±0.5(.xx±0.02):.xx±0.25(.xxx±0.010)。
3) 6.8(0.27)为非引脚面最高器件的最大高度:0.5(0.02)为引脚面最高器件与引脚安装面最小间距。
4) 2-M3为外加散热器的预留安装孔,要求使用的M3螺钉拧入铝背板的长度小于3.5mm。
5) 允许的M3螺钉的安装扭力为3-6Kgf.cm。
引脚定义
| 序号 | 1 | 2 | 3 | 4 | 5 | 6 | 7 | 8 |
| 标识 | -Vin | Rem | +Vin | -Vout | -S | Trim | +S | +Vout |
| 含义 | 负输入 | 遥控端 | 正输入 | 负输出 | 负遥测 | 调整端 | 正遥测 | 正输出 |
备注:产品会不定期更新,恕不另行通知,最新版本请与我司确认。
其他技术指标请与我司销售人员联系
Shenzhen Shentai Technology Co., Ltd.
Shenzhen Shentai Intelligent Control Co., Ltd.
Address: 305, Xinghezhong Internet of Things Industrial Park, 1023-2 Songbai Road, Xili Town, Nanshan District, Shenzhen
Mr. Ji, Marketing Department
Mobile: 13265728378
E-mail: jiguohui@stptec.com
URL:www.stptec.cn
Scan for more
Copyright © 2020 Shenzhen Shentai Technology Co., Ltd. All rights reserved 粤ICP备14001694号-由万创科技提供技术支持